vip 회원
제품 상세 정보
1. 적용 범위
DZ47-63 소형 차단기는 주로 AC 50/60Hz에 적용되며, 정격 작업 전압은 230V/400V 이하이며, 정격 전류가 63A인 회로에서 이 차단기는 주로 현대 건축물의 전기 선로 및 설비의 과부하, 단락 보호에 사용되며, 선로의 빈번하지 않은 조작 및 격리에도 적용된다.구조 피쳐축전지차 차단기는 플라스틱 케이스, 작동 기구, 터치헤드 소호 시스템, 분리 기구 등으로 구성된다.케이스는 고난연성, 고강도의 특수 플라스틱을 사용하여 충격에 강하고 무게가 가볍다.축전지차 차단기 조작기구의 부품은 고강도 플라스틱 제품을 사용하여 민감하고 신뢰할 수 있는 동시에 가장 낮은 회전 관성을 획득하여 단락 고장부터 분리 기구의 동작까지의 시간을 매우 짧게 한다.분리 장치는 이중 금속 조각 과부하 반시한 분리 장치와 단락 순동 전자기 장치 두 부분으로 구성된다.터치헤드 소호 시스템은 특수한 도호각과 통로 소실을 사용하며 뚜렷한 흐름 제한 특성을 가지고 있다.주로 사무용 건물, 주택 및 유사한 건물의 조명, 배전선로 및 설비의 과부하, 합선 보호, 또한 정상적인 상황에서 선로의 빈번하지 않은 전환용으로 사용할 수 있으며, 이 제품은 IEC60898과 GB10963.1 등 표준의 요구에 부합한다.국가 CCC 인증 및 CE 인증을 통과했습니다.C형은 가정 배전 보호에 사용된다;모터 보호를 위한 D 유형
2. 모델 및 그 규격

3. 정상적인 작업조건
주변 공기 온도 상한선은 섭씨 40도를 초과하지 않는다;하한선은 일반적으로 마이너스 5도를 넘지 않는다.정 40도 이상 또는 음 5도 미만의 조건에서 사용설치 지점의 해발고도는 일반적으로 2000미터를 넘지 않는다.
공기는 청결하며 최고 온도가 섭씨 40도일 때 공기의 상대 습도는 50% 를 초과해서는 안 된다.
낮은 온도에서 수업을 마치면 비교적 큰 상대습도를 허용한다. 례를 들면 섭씨 20도일 때 상대습도는 90% 에 달할수 있다.
온도 변화로 인해 가끔 적당한 응고가 발생할 수 있으므로 배수구와 같은 적절한 조치를 취해야 합니다.
축전지차 차단기는 수직으로 설치되어 수직면과의 경사도가 5% 를 넘지 않는다.
뚜렷한 흔들림과 충격이 진동하는 곳이 없다.
만약 폐쇄 보호 케이스에 설치하고 여러 대가 바짝 붙어 설치할 때 용량을 낮추어 사용해야 한다면, 용량을 낮추는 계수는 0.7~0.8을 선택할 수 있으며, 금속 보호 케이스에 대해서는 높은 값을 사용할 수 있고, 전체 플라스틱 보호 케이스에 대해서는 낮은 값을 사용할 수 있다!
4. 주요 매개 변수 및 기술 성능
주요 사양:정격 전류에 따라 ln분: 6A, 10A, 16A, 20A, 25A, 32A, 40A, 50A, 63A.
폴(POLE): 1P. 단극;2P. 양극;3P. 삼극;4P. 사극.
회로 차단기 순간 분리기의 형식에 따라 a.C형(5ln~10ln),b.D형(10ln~16ln).
기계 전기 수명: a. 전기 수명: 3000회 이상;b. 기계 수명: 8000회 이상이어야 한다.
| 셸 등급 정격 전류 lnm(A) | 정격 전류 ln(A) | 극수 (P) | 정격 전압 Ue(V) | 정격 단락 분할 능력 lcn(A) |
| 63 | 6、10、16、20、25、32、40 | 1、2 | 230 | 4500~6000 |
| 2、3、4 | 400 | |||
| 50、63 | 1、2 | 230 | 3000~4500 | |
| 2、3、4 | 400 |
| 시험 | 형식 | 시험 전류 | 시작 상태 | 분리 또는 비분리 시간 한계 | 예상 결과 |
| a | B、C、D | 1.13ln | 냉태 | t≤1h | 단추를 벗지 않다 |
| b | B、C、D | 1.45ln | 이어서 a항 | t<1h | 단추를 벗다 |
| c | B、C、D | 2.55ln | 냉태 |
1s<t<60s(ln≤32A) 1s<t<120s(ln>32A) |
단추를 벗다 |
| d | B | 3ln | 냉태 | t≤0.1s | 단추를 벗지 않다 |
| C | 5ln | ||||
| D | 10ln | ||||
| e | B | 5ln | 냉태 | t<0.1s | 단추를 벗다 |
| C | 10ln | ||||
| D | 16ln |
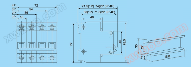
5. 외형과 설치 크기

온라인 조회
